Autonomie électrique dans un camping-car
Voyager en camping-car, c’est la liberté de choisir sa route, ses paysages, ses escales. Pourtant, pour profiter pleinement de cette indépendance, disposer d'une alimentation électrique fiable et suffisante est indispensable.
Appareils électroménagers, éclairages, télévision, chauffage auxiliaire, recharge d’appareils mobiles : tous vos équipements exigent une source 230V stable. L'accès aux bornes électriques n'étant pas toujours garanti, il est essentiel de pouvoir compter sur une autonomie énergétique complète.
Chez EnerMoov', nous proposons depuis plus de 15 ans des solutions d'alimentation électrique silencieuses, sans odeurs, et totalement autonomes, adaptées aux contraintes spécifiques des camping-cars.
Nos systèmes combinent batteries lithium haute performance, recharge solaire par panneaux photovoltaïques et recharge en roulant via l'alternateur du véhicule. Un confort d'utilisation proche de celui d'une installation domestique, sans groupe électrogène.
Chaque projet est conçu sur mesure, en fonction de vos besoins énergétiques, de l’espace disponible et de votre budget. Nos systèmes sont adaptés jusqu’à 5000Wh de capacité et 3000VA de puissance, pour alimenter tous vos appareils en toute liberté.
Nous sélectionnons exclusivement du matériel haut de gamme issu des catalogues de grandes marques reconnues pour leur fiabilité, telles que Victron Energy. Chaque installation bénéficie d'une conception soignée, adaptée aux exigences de la route : vibrations, variations de température, humidité.
Depuis 2010, notre savoir-faire est reconnu par de nombreux camping-caristes exigeants. EnerMoov’ est aujourd'hui une référence de confiance pour l’autonomie énergétique embarquée.
Détail technique du système d’alimentation électrique
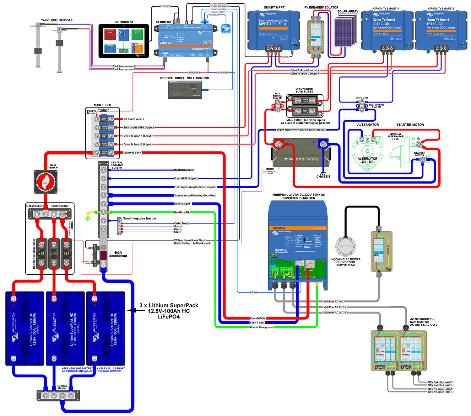
Le schéma présenté illustre une configuration complète de gestion énergétique dédiée aux camping-cars, permettant une autonomie totale sans groupe électrogène. Grâce à une architecture 12V/230V performante, associée à une production solaire optimisée, votre liberté n'a plus de limites. Tous les composants utilisés sont issus du catalogue Victron Energy, gage de fiabilité, de robustesse et de cohérence d’ensemble.
Batteries lithium et distribution DC
Le cœur du système repose sur trois batteries Victron SuperPack 12,8V – 100Ah High Current montées en parallèle, offrant une capacité totale de 300Ah, soit environ 3840 Wh utiles. Chaque batterie intègre son propre BMS, garantissant une sécurité maximale.
Les connexions positives sont regroupées sur un bus DC protégé par fusibles Mega, avec un équilibrage des câbles pour une distribution homogène du courant. Les retours négatifs transitent par un bus-bar relié au SmartShunt Victron 500A, assurant une mesure précise de la consommation, de la recharge et de l'autonomie restante.
Recharge alternateur et solaire combinée
Pendant les trajets, deux convertisseurs Victron Orion-Tr Smart 12/12-30A connectés en parallèle assurent jusqu'à 60A de recharge à partir de l'alternateur moteur, avec une protection électronique contre les surcharges.
En complément, un régulateur solaire Victron SmartSolar MPPT 100/50 permet d'exploiter pleinement l'apport solaire via les panneaux installés sur le toit du camping-car. La priorité est donnée au solaire pour maximiser l'autonomie et réduire la dépendance au réseau ou au moteur.
Convertisseur-chargeur MultiPlus 12/3000
Le Victron MultiPlus 12/3000/120 assure la conversion de l’énergie 12V DC en 230V pur sinus, avec une capacité de 2400W en continu, suffisante pour alimenter tous les équipements de confort à bord. Lorsqu'une source secteur est disponible (aire de camping, domicile), il recharge automatiquement les batteries tout en alimentant directement les appareils 230V.
Surveillance avancée et contrôle à distance
Le système est entièrement monitoré par un Cerbo GX relié à un écran tactile GX Touch 50. Vous visualisez en temps réel tous les flux d'énergie (solaire, alternateur, batteries, secteur) et pouvez agir sur les équipements.
La mesure précise de l’état de charge, de la consommation instantanée, de l'autonomie restante et de l'historique énergétique est assurée par un SmartShunt 500A connecté au Cerbo GX. Toutes les informations sont centralisées et accessibles d'un simple coup d'œil.
Des entrées dédiées sur le Cerbo GX permettent également de connecter des sondes de niveaux de réservoirs (eau propre, eaux usées, etc.), afin de contrôler directement l'état de vos ressources à bord depuis l'écran tactile.
La connexion au portail Victron VRM permet de surveiller votre installation où que vous soyez, d'activer des alertes personnalisées et d'analyser l'historique énergétique de votre véhicule. Plus de surprises : vous gardez le contrôle total.
Sécurité et protections
Chaque sous-ensemble du système est protégé individuellement : fusibles MegaFuse côté DC, protection thermique intégrée dans les Orion et le MultiPlus, disjoncteurs différentiels et divisionnaires sur le circuit AC, coupe-batteries manuels pour la maintenance ou le stockage prolongé.
Résumé des flux d’énergie
– En roulant : l’alternateur recharge les batteries via les deux Orion-Tr
Smart 12/12-30A (60A combinés).
– À l’arrêt (hors branchement secteur) : les panneaux solaires chargent les
batteries via le MPPT 100/50.
– Utilisation électrique : les batteries alimentent directement les
équipements 230V via le MultiPlus.
– À l'arrêt (avec secteur) : le MultiPlus recharge les batteries et alimente
les équipements en direct.
– En permanence : le Cerbo GX et le portail VRM assurent une surveillance
complète, même à distance.
Cette architecture garantit une autonomie maximale, une fiabilité éprouvée en conditions mobiles (vibrations, températures extrêmes), et une grande simplicité d'utilisation au quotidien. Votre camping-car devient réellement indépendant, où que vous soyez.
FAQ - Autonomie électrique pour camping-car
Comment alimenter électriquement un camping-car sans branchement externe ?
Grâce à une ou plusieurs batteries lithium associées à un convertisseur 230V pur sinus, vous pouvez profiter d’une alimentation électrique propre et silencieuse. La batterie se recharge en roulant, via l’alternateur du véhicule, mais aussi grâce aux panneaux solaires ou à un branchement secteur en aire de repos.
Quelle autonomie peut-on espérer avec une installation lithium solaire ?
Tout dépend de la capacité des batteries et de votre consommation. Avec trois batteries lithium 12,8V 100Ah et un panneau solaire, vous pouvez alimenter vos équipements courants pendant plusieurs jours, en autonomie complète, surtout en été. Le système est conçu pour couvrir vos besoins en frigo, éclairage, recharge, informatique et petits appareils ménagers.
Peut-on installer soi-même le système électrique dans son camping-car ?
Oui, à condition d’avoir des connaissances solides en électricité. Pour les utilisateurs avertis, EnerMoov fournit un schéma détaillé, une assistance technique et, sur demande, l’ensemble du câblage pré-serti et prêt à poser.
Il suffit de nous transmettre les longueurs nécessaires. Notre bureau d’études dimensionnera les sections de câble adaptées, et notre atelier préparera les cosses et embouts selon les normes en vigueur.
L’objectif : vous permettre une installation fiable et conforme, même en auto-installation.
Quels équipements sont nécessaires pour l’autonomie d’un camping-car ?
Une batterie lithium (ou plusieurs), un ou deux convertisseurs DC-DC, un convertisseur-chargeur, un panneau solaire, un régulateur MPPT, ainsi que des dispositifs de supervision et de sécurité. Chaque composant est choisi selon votre configuration.
Quel budget prévoir pour une installation solaire lithium dans un camping-car ?
Le budget dépend de la capacité souhaitée et du matériel choisi. Pour une installation complète, fiable et silencieuse, prévoyez entre 1 500€ et 3 500€ TTC, incluant les batteries, le convertisseur-chargeur, le régulateur solaire, le panneau solaire et les protections.
Quelle est la durée de vie d’une batterie lithium dans un camping-car ?
Une batterie lithium Victron SuperPack peut atteindre 2 500 cycles de charge/décharge, soit 5 à 10 ans d’utilisation normale. Le BMS intégré protège les cellules pour une longévité optimale. Le soin apporté au système et le bon usage sont essentiels pour préserver cette durée de vie.
Besoin d’un système électrique fiable pour votre camping-car ?
Chez EnerMoov', nous concevons des installations sur mesure pour répondre aux besoins spécifiques de chaque camping-cariste. Que vous souhaitiez voyager en totale autonomie ou simplement améliorer votre confort électrique à bord, nous étudions votre projet en détail et vous proposons une solution adaptée, performante et durable. Contactez-nous pour faire de votre camping-car une véritable maison autonome sur roues.


