4/4 - Lithium LiFePO4 et autonomie en camping-car
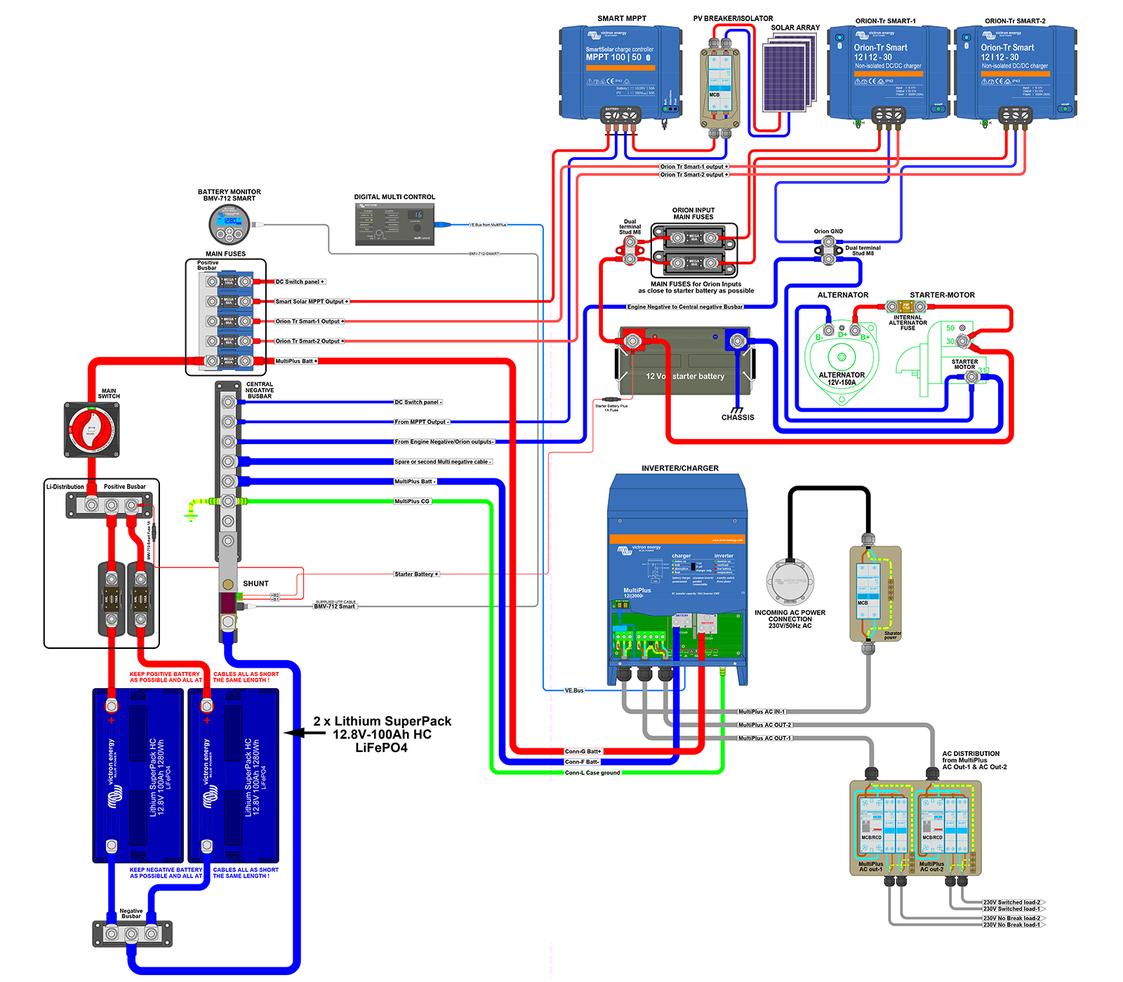
Schéma explicatif d'un système électrique complet, fiable et silencieux dans un véhicule aménagé.
Cette quatrième et dernière partie de notre dossier dédié aux batteries lithium embarquées vous présente une réalisation, conçue pour maximiser l'autonomie électrique à bord d'un 4x4 préparé pour un tour du monde.
Grâce à des équipements Victron Energy éprouvés et une conception simple mais performante, ce montage offre confort, fiabilité et liberté énergétique, sans dépendre d'un réseau externe. Découvrez ci-dessous l'architecture générale du système ainsi que le détail de chaque équipement.
Etude d'une installation
Architecture générale du système
Ce schéma présente une installation électrique simple et robuste, parfaitement adaptée aux vans aménagés, camping-cars et applications mobiles. La conception repose sur deux batteries lithium SuperPack Victron Energy, combinées à une recharge en roulant, une recharge solaire, et une conversion 230V via un MultiPlus Compact. Le tout est surveillé localement, sans nécessité de connexion internet ou d'équipements complexes.
L'ensemble des éléments a été sélectionné pour sa fiabilité, sa facilité de mise en œuvre et sa compatibilité totale avec un usage mobile en autonomie complète.
Batteries lithium et distribution DC
Le cœur du système repose sur deux batteries Victron Lithium SuperPack 12,8V – 100Ah montées en parallèle, offrant une capacité totale de 200Ah, soit environ 2560 Wh utiles. Chaque batterie intègre son propre BMS interne, garantissant une protection automatique contre les surcharges, décharges profondes et surchauffes.
Les connexions positives sont protégées individuellement par des fusibles ANL 150A montés sur un bus DC principal, assurant ainsi une distribution sécurisée du courant. Les retours négatifs sont centralisés via un bus-bar commun.
Recharge par alternateur et par énergie solaire
En roulant, deux convertisseurs Victron Orion-Tr Smart 12/12-30A connectés en parallèle assurent jusqu’à 60A de recharge depuis l’alternateur moteur. Chaque Orion est protégé par son propre fusible Mega 60A.
À l'arrêt, la recharge est assurée par un régulateur solaire SmartSolar MPPT 100/50, qui optimise la production des panneaux photovoltaïques connectés. Un disjoncteur DC protège l'entrée solaire pour garantir la sécurité du circuit.
Production 230V avec MultiPlus 12/2000
Le Victron MultiPlus 12/2000/80 convertit l'énergie 12V DC des batteries en 230V AC pur sinus, avec une puissance continue disponible de 1600W, idéale pour alimenter vos équipements domestiques à bord (frigo, prises électriques, petits appareils électroménagers).
Lorsqu'une source secteur est disponible, le MultiPlus bascule automatiquement en mode chargeur haute performance pour recharger les batteries tout en alimentant directement les circuits AC.
Un Digital Multi Control (DMC) est intégré pour ajuster facilement le courant maximal prélevé sur le réseau (ex : limiter à 10A ou 16A selon la prise de quai disponible sur votre emplacement).
Distribution DC et stabilisation optionnelle
Les appareils 12V (éclairage, pompe à eau, accessoires) sont alimentés directement par les batteries via le bus DC. Si une tension parfaitement stabilisée est requise, par exemple pour certains équipements électroniques sensibles, il est possible d'ajouter un convertisseur DC-DC 12/12V Victron pour garantir une tension constante même lorsque l'état de charge varie.
Surveillance locale
Le système est conçu pour une utilisation simple et locale, sans besoin de connexion internet ou d'interface réseau complexe. Les voyants d’état du MultiPlus et l'affichage du Digital Multi Control permettent de vérifier rapidement l'état de charge, la présence de tension secteur, ainsi que les défauts éventuels.
Un BMV-712 Smart est également installé pour une surveillance précise de l'état de la batterie. Ce moniteur affiche la tension batterie, le courant entrant ou sortant, la capacité restante (% SOC), l'autonomie estimée et la consommation cumulée.
Grâce à la connectivité Bluetooth intégrée du BMV-712, il est possible de consulter en temps réel toutes les données de votre batterie directement sur votre smartphone ou votre tablette via l'application gratuite VictronConnect.
Le BMV-712 permet également de programmer des alarmes personnalisées : alerte en cas de sous-tension batterie, décharge profonde, seuil de courant excessif ou surcharge. Ces alertes contribuent à protéger efficacement votre installation et à prolonger la durée de vie de vos batteries.
Précis, fiable et simple à utiliser, le BMV-712 est recommandé pour toute installation souhaitant combiner autonomie, protection renforcée et précision de suivi énergétique, même sans réseau internet à bord.
VictronConnect : supervision complète via smartphone
Le Bluetooth intégré aux équipements Victron Energy permet une supervision complète et sans fil de votre installation directement depuis votre téléphone ou votre tablette, à l'aide de l'application gratuite VictronConnect.
Dans cette installation, les produits connectables via VictronConnect sont :
- Le BMV-712 Smart : visualisation du SOC %, tension, courant, puissance consommée, autonomie estimée, historique de décharge et recharge.
- Le SmartSolar MPPT 100/50 : suivi de la production solaire en direct (puissance produite, rendement quotidien, historique de charge).
- Les deux Orion-Tr Smart 12/12-30A : état de charge, courant de sortie, diagnostics d'entrée/sortie, et configuration des paramètres.
VictronConnect permet également de :
- Mettre à jour les firmwares des appareils (Orion, MPPT, BMV) pour bénéficier des dernières améliorations.
- Configurer précisément les paramètres de charge ou d'utilisation selon votre profil d'utilisation spécifique.
- Visualiser les données historiques (courbes de production solaire, cycles batterie, etc.).
L'utilisation de l'application VictronConnect est totalement facultative : toutes les fonctions essentielles de supervision sont accessibles directement sur l'écran intégré du BMV-712, sans nécessité de smartphone ou de tablette pour une utilisation quotidienne.
Ainsi, que vous soyez amateur de connectivité mobile ou attaché à une utilisation simple et autonome, votre installation reste accessible, fiable et facile à surveiller.
Sécurité et protections électriques
Chaque sous-système du système est protégé par des dispositifs adaptés : Mega-fuse 60A pour chaque Orion, protection DC dédiée pour le MPPT, protection AC différenciée pour la sortie secteur du MultiPlus. Des coupe-batteries manuels permettent également l'isolement complet des circuits pour la maintenance ou le stockage prolongé.
Résumé des flux d’énergie
– En roulant : l’alternateur recharge les batteries via deux Orion-Tr
Smart.
– À l’arrêt (hors branchement) : la production solaire recharge les
batteries via le MPPT.
– Utilisation électrique : le MultiPlus convertit l’énergie 12V en 230V pour
alimenter vos appareils.
– Branchements secteur : le MultiPlus recharge les batteries et alimente les
appareils AC.
– Monitoring local : le BMV-712 et le Digital Multi Control permettent un
suivi précis, même sans réseau mobile.
Cette architecture simple, robuste et évolutive est idéale pour les vans aménagés, camping-cars ou toute installation mobile, offrant autonomie énergétique, sécurité et confort sur la route ou en pleine nature.
FAQ - Installation lithium pour camping-car EnerMoov
Pourquoi avoir retenu des SuperPack et non des LiFePO4 NG ?
Le client souhaitait un câblage simple pour pouvoir assurer lui-même la maintenance en cas de panne. L'intérêt des SuperPack est que chaque batterie dispose d'un BMS intégré : en cas de défaillance d'un élément, la seconde batterie permet de maintenir une alimentation, même avec une capacité réduite. Par ailleurs, le coût plus attractif des SuperPack a permis de proposer une solution lithium performante tout en respectant le budget du client.
Pourquoi avoir installé deux Orion-Tr Smart 30A ?
Le véhicule disposait d'un alternateur renforcé, capable de délivrer un courant de charge élevé. Les deux batteries SuperPack 12,8V 100Ah High Current acceptaient près de 200A de courant de charge. Deux Orion-Tr Smart 30A en parallèle permettent de délivrer 60A, assurant ainsi une recharge rapide en roulant, avec des durées de charge estimées entre 2 et 3 heures. À noter que l'Orion XS 50A aurait pu être envisagé, mais n'était pas encore disponible à la date du projet. La redondance a également été souhaitée par le client, pour sécuriser le système.
Combien de panneaux peut supporter le MPPT 100/50 installé ?
En 12V comme sur cette installation, le SmartSolar MPPT 100/50 permet de connecter jusqu'à 700Wc de panneaux solaires. Un régulateur de 30A n'aurait autorisé qu'environ 440Wc. En configuration 24V, la puissance photovoltaïque admissible serait doublée. Le choix du MPPT 50A garantit ainsi une capacité de recharge solaire élevée, même en conditions de faible ensoleillement.
Est-il possible d’installer un écran couleur tactile dans ce système ?
Oui, un écran tactile Victron tel que l'Ekrano GX, ou un ensemble Cerbo GX + GX Touch, peut être ajouté très facilement. Dans ce cas, le BMV-712 pourrait être remplacé par un SmartShunt, l'ensemble des appareils (SmartShunt, MPPT, MultiPlus) étant reliés à l'interface GX pour une supervision centralisée.
Est-ce qu’il est possible d’installer un convertisseur 3000VA sur cette base ?
Non, deux batteries SuperPack 100Ah ne permettent pas d'alimenter un convertisseur 3000VA en toute sécurité. Un tel convertisseur peut exiger plus de 250A en crête, alors que le courant de décharge maximal des SuperPack 100Ah est limité à 100A par batterie. Pour supporter un 3000VA, il faudrait au minimum ajouter une troisième batterie SuperPack 100Ah High Current. Avec une seule batterie, la puissance continue ne devrait pas dépasser environ 1000VA.


